汽車制造
產品概述
product description
查看大圖
HSR-BR616雙旋機器人
BR雙旋機器人系列全新一代機器人HSR-BR616,在BR系列機器人基礎上進一步升級,負載能力更強,防護等級更高,速度更快。很適合多種場合下的應用,例如:噴涂、噴粉、機床上下料、沖壓上下料、裝配、分揀、碼垛、注塑等;特別適合于對機器人防護等級要求高的場合,例如噴涂、噴粉等。
使用說明下載產品特點
Features優勢一:安裝占地面積小:機器人底座非常小,占地面積小于0.1㎡
優勢二:高精度,高靈活性:平均重復精度可達±0.04mm,最大0.05mm;不僅具備通用6軸功能,當使用通用機器人用法功能無足夠空間時,還可以編程內旋轉模式另辟蹊徑實現避讓。
優勢三:重量輕:本體重量128kg左右
優勢四:臂長更大、負載能力更強:通過輕量化的設計,使用高速電機、高精度的減速器,使機器人臂長增加至1599.6mm,額定負載16kg,可偏心80mm。
優勢五:防護等級更高:經過結構優化,進行密封設計,經過測試,整機防護等級達到IP67。
特征1:360°空間全覆蓋,無死角。特征2:高防護,整機防護等級IP67。特征3:安裝占地面積小。特征4:高精度,高靈活性。特征5:高速,慣量小。特征6:重量輕。特征7:模塊化、系列化、可定制。特征8:性價比高。
產品參數
Product parameters| 工業機器人 | HSR-BR616 | |
| 自由度 | 6 | |
| 負載 | 16Kg | |
| 最大工作半徑 | 1600mm | |
| 重復定位精度 | ±0.05mm | |
| 運動范圍 | J1 | ±154° |
| J2 | -178°/-2° | |
| J3 | +103°/+437° | |
| J4 | ±360° | |
| J5 | ±161° | |
| J6 | ±360° | |
| 額定速度 | J1 | 2.73 rad/s,157°/s |
| J2 | 2.52rad/s,145°/s | |
| J3 | 3.10rad/s,178°/s | |
| J4 | 3.85rad/s,221°/s | |
| J5 | 3.14rad/s,180°/s | |
| J6 | 3.92rad/s,225°/s | |
| 最高速度 | J1 | 4.12rad/s,236°/s |
| J2 | 3.78ad/s,217°/s | |
| J3 | 6.23rad/s,357°/s | |
| J4 | 7.72rad/s,443°/s | |
| J5 | 6.28rad/s,360°/s | |
| J6 | 7.85rad/s,450°/s | |
| 容許慣性矩 | J6 | 0.52㎏㎡ |
| J5 | 0.85kg㎡ | |
| J4 | 0.99kg㎡ | |
| 容許扭矩 | J6 | 20.3Nm |
| J5 | 28.0Nm | |
| J4 | 34.0Nm | |
| 適用環境 | 溫度 | 0~45° |
| 濕度 | 20%~80% | |
| 其他 | 避免與易燃易爆或腐蝕性氣體、液體接觸,遠離電子噪聲源(等離子) | |
| 示教器線纜長度 | 8米 | |
| 本體-柜體連接線長度 | 6米 | |
| I/O參數 | 數字量:32輸入,31輸出 | |
| 本體預留信號線 | 24位(航空插頭連接) | |
| 預留氣路 | 2*Φ8 | |
| 電源容量 | 3.68KVA | |
| 額定功率 | 2.95kW | |
| 額定電壓 | 單相AC220V? | |
| 額定電流 | 13.4A | |
| 本體防護等級 | IP67 | |
| 安裝方式 | 地面安裝 | |
| 本體重量 | 124.5kg | |
| 控制柜防護等級 | IP54 | |
| 控制柜尺寸 | 500(寬)×322(厚)×530(高)-可立可臥 | |
| 控制柜重量 | 47KG | |
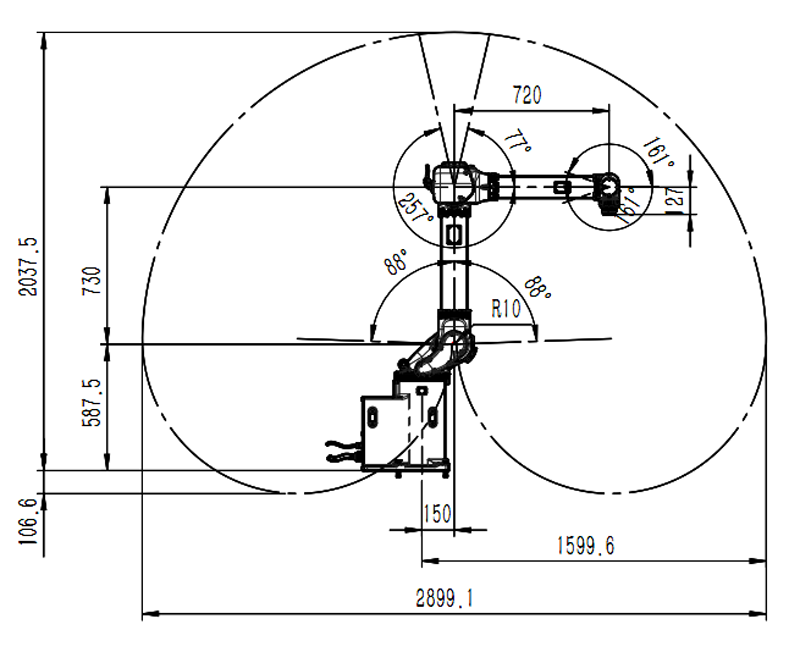
產品尺寸
Product Size


