汽車制造
產品概述
product description
查看大圖
HSR-JR620L工業機器人
JR六軸機器人系列HSR-JR620L具有精度至高、加速能力強、運動范圍超大等優點,重復定位精度高達±0.06mm,運動半徑長達1848mm,可輕松應對加工、裝配及焊接等行業的應用市場。
使用說明下載產品特點
Features1.高性價比: 低成本,花錢買回去的屬于通用工業機器人,可重復編程用于其他搬運、裝配作業,且可一年回收成本
2.長壽命: 采用高精密高剛度進口減速機,壽命可長達數十年,一次投入,多年受益
3.高加速性能: 采用低速比高精度減速機,擁有超快的加速性能,最快加速時間可達0.3S
4. 高集成度: 本體內置信號線與氣管即插即用,無需繁瑣接線,內部線纜無滑動,可長久保持無故障率。
5.超高精度: 除了精密的設計外,采用了進口高精密減速機,末端重復定位精度高達±0.06MM
6.高平滑性: 采用先進控制系統及伺服驅動系統,實現高速而平滑的動作性能,幾乎做到過渡點零時間停頓。
7. 高剛性: 經過結構優化,采用大功率電機與優質的材料,剛性非常好
8.高負載: 末端最大負載20kg,可輕松應對加工、裝配及焊接行業的應用市場
產品參數
Product parameters| 工業機器人 | HSR-JR620L | |
| 自由度 | 6 | |
| 額定負載 | 20Kg | |
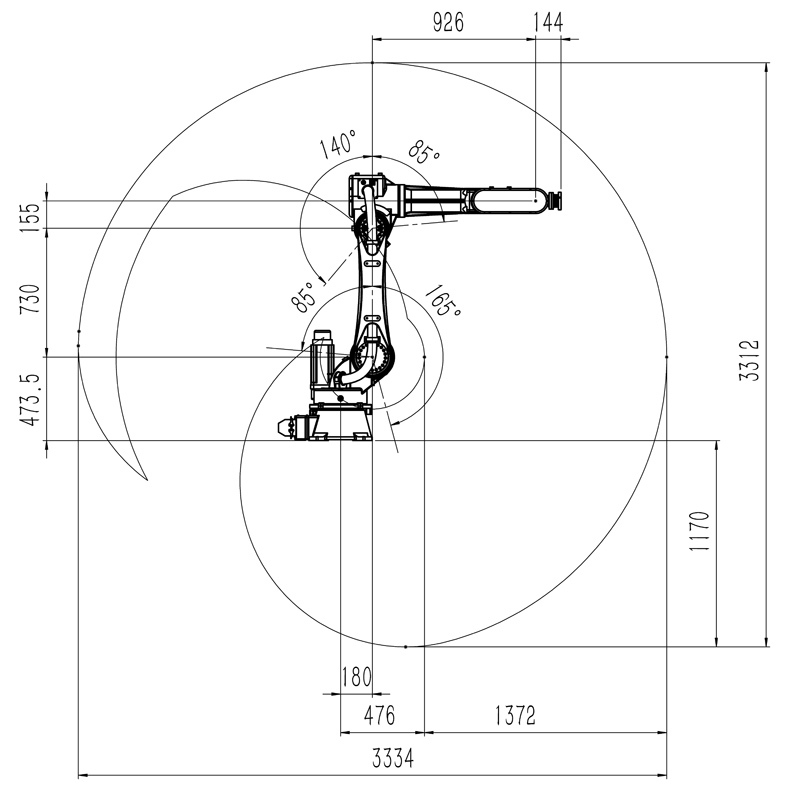
| 最大工作半徑 | 1848mm | |
| 重復定位精度 | ±0.06mm | |
| 運動范圍 | J1 | ±155° |
| J2 | -175°/+75° | |
| J3 | +40°/ ? +265° | |
| J4 | ±180° | |
| J5 | ±125° | |
| J6 | ±360° | |
| 額定速度 | J1 | 88°/s,1.53 ? rad/s |
| J2 | 66°/s,1.15 ? rad/s | |
| J3 | 120°/s,2.09 ? rad/s | |
| J4 | 178°/s,3.11 ? rad/s | |
| J5 | 178°/s,3.11 ? rad/s | |
| J6 | 225°/s,3.93 ? rad/s | |
| 最高速度 | J1 | 96°/s,1.68 ? rad/s |
| J2 | 88°/s,1.53rad/s | |
| J3 | 192°/s,3.35 ? rad/s | |
| J4 | 297°/s,5.18 ? rad/s | |
| J5 | 297°/s,5.18 ? rad/s | |
| J6 | 375°/s,6.54rad/s | |
| 容許慣性矩 | J6 | 0.8kg㎡ |
| J5 | 3.3kg㎡ | |
| J4 | 8.7kg㎡ | |
| 容許扭矩 | J6 | 30.7Nm |
| J5 | 73.4Nm | |
| J4 | 140.4Nm | |
| 適用環境 | 溫度 | 0~45° |
| 濕度 | 20%~80% | |
| 其他 | 避免與易燃易爆或腐蝕性氣體、液體接觸,遠離電子噪聲源(等離子) | |
| 示教器線纜長度 | 8米 | |
| 本體-柜體連接線長度 | 6米 | |
| I/O參數 | 數字量:32輸入,31輸出(控制柜故障指示燈輸出占用1) | |
| 本體預留信號線 | 24位(航空插頭連接) | |
| 預留氣路 | 2*Φ8 | |
| 電源容量 | 5.62kVA | |
| 額定功率 | 4.5kW | |
| 額定電壓 | 3相AC380V | |
| 額定電流 | 9A | |
| 本體防護等級 | IP54 | |
| 安裝方式 | 地面、倒掛安裝 | |
| 本體重量 | 303.5kg | |
| 控制柜防護等級 | IP53 | |
| 控制柜尺寸 | 690mm(寬)×411mm(厚)×890mm(高)-立式 | |
| 控制柜重量 | 91kg | |
產品尺寸
Product Size


