汽車制造
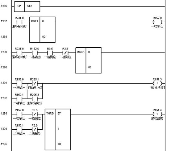
該功能是用戶通過M代碼來實現自動執行換檔功能,所以在PLC程序中添加,具體實現方法見下面PLC梯形圖:



?M82為換一檔指令、M83為換二檔指令,實現正反轉換檔功能主要是手動給主軸指令寄存器G2570中寫值。于此同時還應斷開主軸手動和自動控制時系統往G2570中寫值,見下圖:

?
武漢東湖高新技術開發區廟山小區華中科技大學科技園
售后熱線:027-87180095
銷售熱線:027-87180672
銷售客服QQ:1512592007
銷售客服微信:15791928108
market@hzncc.com
掃一掃關注官方微信
武漢華中數控股份有限公司版權所有 鄂ICP備12013633號-2 | 免責聲明 | 技術支持:幸運坐標