汽車制造
M33 第二參考點檢查
M34 第三參考點檢查
?
????? M34的實現與M33類似,通過檢查F寄存器0組第8,9,10,11位可以檢查預設定的機床第二,三,四,五參考點。另外也可以根據需要寫出相似的代碼用來檢查每個運動軸的參考點。
????? 第二參考點和第三參考點的設定可以在坐標軸參數中22~24號參數來設置。
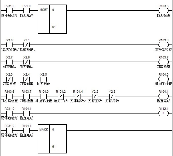
M61 換刀檢查
包括刀套檢查,刀臂檢查,松緊刀檢查

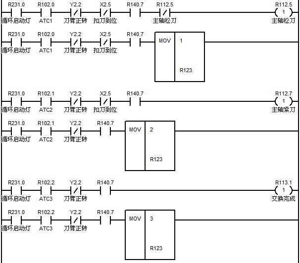
M63? 換刀第一步(扣刀)
M66? 換刀第二步(交換刀)
M65? 換刀第三步(回刀原位)


刀臂轉動過程中狀態
?
M代碼的應答


M68 自動倒刀
M69 自動回刀



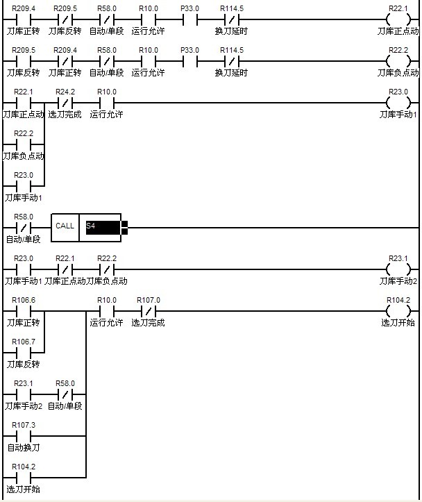
5:刀庫其他功能
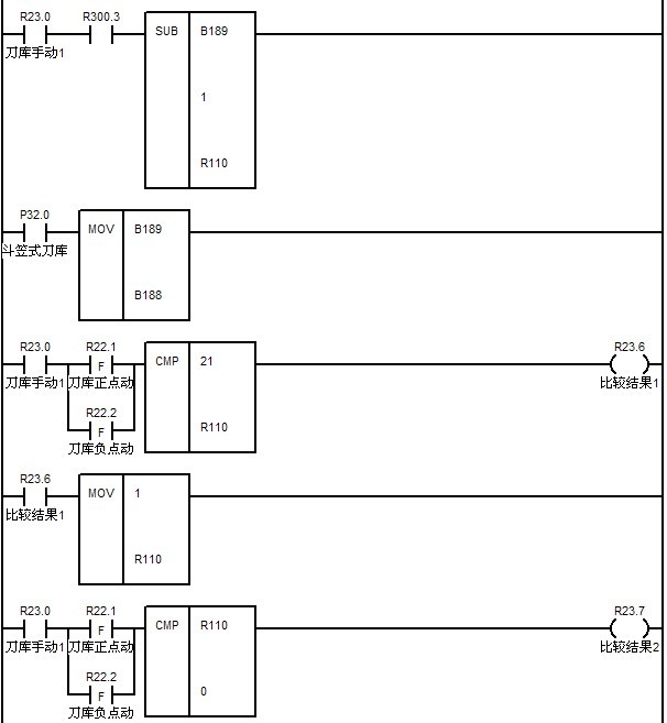
1)手動點動刀庫正反轉

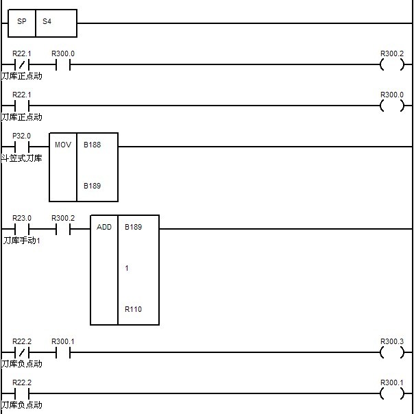
其中S4子程序為下圖



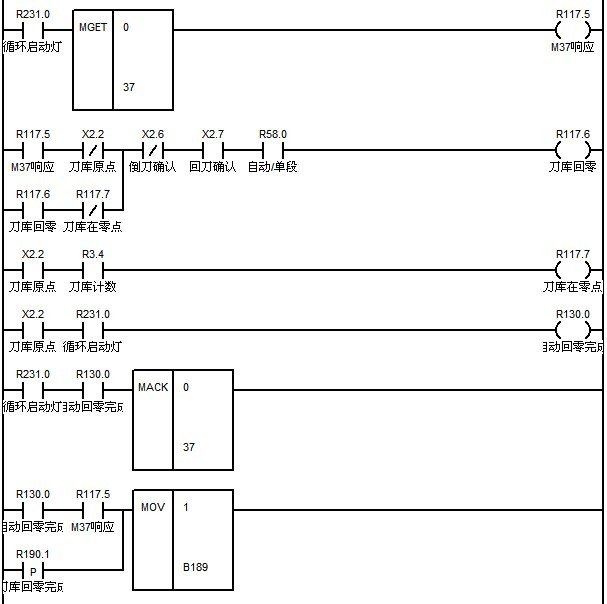
2)刀庫回零
M37:刀庫正轉,直到碰到刀庫原點信號停止轉動。設置該時刻的刀位號為1號刀位。
?
6:報警處理
G3010.9??? 緊刀未到位
G3010.10?? 松刀未到位
G3010.12?? 第二參考點未到達
G3010.14?? 第三參考點未到達
G3011.1??? 未找到所選刀具號
G3011.2??? 扣刀未到位
G3011.3??? 交換刀未到位
G3011.4??? 刀臂回原位未到位
G3011.5??? 刀松緊檢查
G3011.6??? 刀套檢查
G3011.7??? 機械手不在原始位
G3011.8??? 刀套未倒到位
G3011.9??? 刀套未回到位